

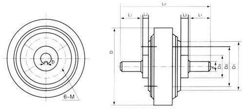
規格型號  |             額定轉矩Nm  |             額定電流A  |             滑差功率w  |             磁粉用量g  |             冷卻方式  |             外形尺寸  |             軸聯接尺寸  |             法蘭聯接尺寸  |         |||||||
D  |             L  |             d(h)  |             b  |             L1  |             L2  |             D3(g)  |             D2  |             D1  |             M  |         ||||||
CJF-0.6  |             6  |             1  |             65  |             18  |             自然  |             130  |             135  |             12  |             4  |             20  |             12  |             42  |             64  |             85  |             6  |         
CJF-1.2  |             12  |             1  |             80  |             35  |             自然  |             152  |             180  |             15  |             5  |             30  |             18  |             50  |             65  |             80  |             6  |         
CJF-2.5  |             25  |             1.5  |             130  |             60  |             散熱筋  |             190  |             226  |             20  |             6  |             38  |             20  |             62  |             78  |             95  |             6  |         
CJF-5  |             50  |             2.3  |             290  |             100  |             散熱筋  |             220  |             286  |             25  |             8  |             55  |             25  |             74  |             100  |             120  |             6  |         
CJF-10  |             100  |             2.5  |             450  |             150  |             散熱筋  |             288  |             360  |             30  |             10  |             65  |             28  |             100  |             140  |             165  |             10  |         
CJF-20  |             200  |             2.5  |             720  |             300  |             散熱筋  |             335  |             358  |             35  |             10  |             60  |             35  |             110  |             150  |             175  |             10  |         
CJF-40  |             400  |             3  |             1000  |             400  |             散熱筋  |             395  |             458  |             45  |             14  |             95  |             36  |             130  |             200  |             340  |             12  |         
CJF-50  |             500  |             3  |             1100  |             450  |             散熱筋  |             395  |             458  |             45  |             14  |             95  |             36  |             130  |             200  |             340  |             12  |         
雙出軸法蘭式磁粉離合器概述
磁粉離合器是根據電磁原理并利用磁粉來傳達轉矩的,其傳達之轉矩與激磁電流基本成線性關系。因此,只要改變激磁電流之大小,便可輕易地控制轉矩之大小。正常情況下,在5%至 100%的額定轉矩范圍內,激磁電流與其傳達之轉矩成正比例線性關系。雙出軸法蘭式磁粉離合器是由傳動單元(輸入軸)和從動單元(輸出軸)合并而成。在兩組單元之間的空間,填有粒狀的磁粉(體積大約40微米)。當磁性線圈不導電時,轉矩不會從傳動軸傳于從動軸,但如將線圈電磁通電,就由于磁力的作用而吸引磁粉產生硬化現象,在連繼滑動之間會把轉矩傳達。
雙出軸法蘭式磁粉離合器特點
- 在雙出軸法蘭式磁粉離合器接合過程中,容易做到扭矩的增長平滑,因此磁粉離合器有很好的接合平順性能。
 - 能較長時間地滑磨工作。
 - 在使用過程中無須進行調整。
 
磁粉離合器使用注意事項
1、請以正規的安裝方法(將高速旋轉側當作輸入側)來使用磁粉離合器。如果機械的結構非得要輸出入軸反安裝的話,請務必以1000R/MIN以下來使用。輸入軸與輸出軸反過來安裝的話會使機器長時間空轉,磁粉受到攪拌,會縮短磁粉離合器的使用壽命。
2、請注意濕氣。磁粉受潮的話,性能會變得不穩定,所以注意不要讓油或水分侵入內部。特別是安裝于齒輪箱時,油分會透過軸部侵入內部,所以要用薄膜完全封住。
3、請注意表面溫度。連續運轉所造成的表面溫度為運轉時90度以下,超過該數值時,耐久性會降低。請務必以上述界限溫度為標準,使用時務必保持在所容許的滑動工作率之內。





蘇公網安備 32062102000172號