

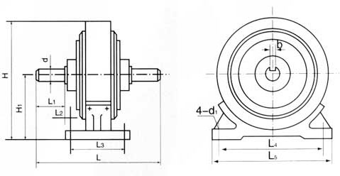
規格型號              |             額定轉矩Nm              |             額定電流A              |             滑差功率Kw              |             磁粉用量g              |             冷卻方式              |             外形尺寸              |             軸聯接尺寸              |             機座安裝尺寸              |         ||||||||
H  |             L  |             d(h)  |             b  |             L1  |             L2  |             L3  |             L4  |             L5  |             H1  |             d1  |         ||||||
CZS-0.2  |             2  |             0.5  |             0.05  |             10  |             自然  |             106  |             128  |             10  |             消扁  |             20  |             32  |             56  |             88  |             104  |             56  |             6.5  |         
CZS-0.5  |             5  |             0.6  |             0.13  |             15  |             自然  |             135  |             144  |             12  |             4  |             20  |             22  |             60  |             110  |             125  |             72.5  |             6.5  |         
CZS-1  |             10  |             0.8  |             0.26  |             30  |             自然  |             165  |             164  |             12  |             4  |             22  |             32  |             72  |             120  |             150  |             87.5  |             9  |         
CZS-2  |             20  |             0.6  |             0.4  |             45  |             雙側散熱筋  |             220  |             196  |             18  |             5  |             30  |             29  |             78  |             155  |             200  |             120  |             11  |         
CZS-5  |             50  |             0.8  |             0.5  |             60  |             雙側散熱筋  |             220  |             208  |             22  |             6  |             35  |             30  |             78  |             155  |             200  |             120  |             11  |         
CZS-5S  |             50  |             0.8  |             1.5  |             60  |             定子水冷  |             245  |             200  |             22  |             6  |             35  |             15  |             100  |             185  |             220  |             135  |             11  |         
CZS-10  |             100  |             1.2  |             3  |             120  |             定子水冷雙側散熱筋  |             300  |             294  |             28  |             8  |             55  |             42  |             100  |             185  |             240  |             165  |             13  |         
CZS-20  |             200  |             2.5  |             5  |             180  |             定子水冷  |             335  |             322  |             35  |             10  |             60  |             38  |             125  |             268  |             320  |             180  |             13  |         
CZS-40  |             400  |             2.2  |             7  |             380  |             定子水冷  |             400  |             342  |             45  |             14  |             70  |             26  |             150  |             300  |             360  |             210  |             13  |         
CZS-63  |             630  |             2.5  |             9  |             500  |             定子水冷  |             440  |             428  |             60  |             18  |             100  |             50  |             130  |             340  |             400  |             240  |             17  |         
CZS-100  |             1000  |             2.5  |             11  |             1000  |             定子水冷  |             520  |             518  |             60  |             18  |             100  |             49  |             220  |             430  |             500  |             280  |             17  |         
CZS-200  |             2000  |             3  |             15  |             1800  |             定子水冷  |             610  |             560  |             75  |             20  |             110  |             45  |             250  |             520  |             600  |             325  |             22  |         
CZS-500  |             5000  |             3  |             18  |             4200  |             定子水冷  |             818  |             700  |             90  |             25  |             140  |             50  |             320  |             600  |             700  |             430  |             22  |         
CZS-1000  |             10000  |             4  |             25  |             6800  |             定子水冷  |             1125  |             770  |             120  |             32  |             160  |             45  |             360  |             900  |             1050  |             600  |             26  |         
CZS-2000  |             20000  |             4  |             32  |             8000  |             定子水冷  |             1425  |             890  |             155  |             40  |             180  |             105  |             320  |             1300  |             1450  |             750  |             34  |         

雙出軸機座式磁粉制動器概述
雙出軸機座式磁粉制動器是根據電磁原理和利用磁粉傳遞轉矩的。其具有激磁電流和傳遞轉矩基本成線性關系的特點。在同滑差無關的情況下能夠傳遞一定的轉矩,具有響應速度快、結構簡單、無污染、無噪音、無沖擊振動節約能源等特點。
磁粉制動器是一種多用途、性能可靠的自動控制元件。連軸節的連接配合上建議選用間隙配合。嚴禁軸向敲打。在使用前應進行跑合轉,通過20%左右的額定電流運轉幾秒后斷電再通電,反復幾次。500N.m以上的制動器。部份磁粉另裝??稍谂芎现?,將磁粉從上端磁粉加注口,在不通激磁電流的情況下邊轉動邊逐漸注入。







.jpg)
蘇公網安備 32062102000172號