
 
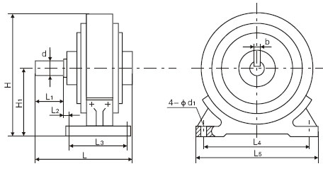
規格型號  | 額定轉矩Nm  | 額定電流A  | 滑差功率Kw  | 磁粉用量g  | 冷卻方式  | 外形尺寸  | 軸聯接尺寸  | 機座聯接尺寸  | ||||||||
H  | L  | d(h)  | b  | L1  | L2  | L3  | L4  | L5  | H1  | d1  | ||||||
CZ-0.2  | 2  | 0.5  | 0.05  | 10  | 自然  | 106  | 105  | 9  | 消扁  | 20  | 32  | 56  | 88  | 104  | 56  | 6.5  | 
CZ-0.5  | 5  | 0.6  | 0.13  | 15  | 自然  | 135  | 122  | 12  | 4  | 20  | 22  | 60  | 110  | 125  | 72.5  | 6.5  | 
CZ-1  | 10  | 0.8  | 0.26  | 30  | 自然  | 165  | 135  | 12  | 4  | 22  | 32  | 72  | 120  | 150  | 90  | 9  | 
CZ-2  | 20  | 0.6  | 0.4  | 45  | 雙側散熱筋  | 220  | 160  | 18  | 5  | 30  | 29  | 78  | 155  | 200  | 120  | 11  | 
Cz-2.5  | 25  | 0.8  | 0.45  | 50  | 雙側散熱筋  | 213  | 160  | 20  | 6  | 38  | 45  | 60  | 165  | 200  | 120  | 9  | 
CZ-5  | 50  | 0.8  | 0.5  | 60  | 雙側散熱筋  | 220  | 165  | 22  | 6  | 35  | 30  | 78  | 155  | 200  | 120  | 11  | 
CZ-5S  | 50  | 0.8  | 1.5  | 60  | 定子水冷  | 245  | 160  | 22  | 6  | 35  | 15  | 100  | 185  | 220  | 135  | 11  | 
Cz-10B  | 100  | 1.3  | 1.8  | 130  | 雙側散熱筋  | 283  | 205  | 30  | 8  | 50  | 36  | 100  | 200  | 250  | 155  | 13  | 
CZ-10  | 100  | 1.2  | 3  | 120  | 定子水冷雙側散熱筋  | 300  | 255  | 28  | 8  | 55  | 42  | 100  | 185  | 240  | 165  | 13  | 
CZ-20  | 200  | 2.5  | 5  | 180  | 定子水冷雙側散熱筋  | 335  | 290  | 35  | 10  | 60  | 38  | 125  | 268  | 320  | 180  | 13  | 
CZ-30  | 300  | 2.0  | 6  | 300  | 定子水冷  | 400  | 320  | 45  | 14  | 70  | 26  | 150  | 300  | 360  | 210  | 13  | 
CZ-40  | 400  | 2.2  | 7  | 380  | 定子水冷  | 400  | 320  | 45  | 14  | 70  | 26  | 150  | 300  | 360  | 210  | 13  | 
CZ-50  | 500  | 2.5  | 10  | 400  | 單雙水冷  | 440  | 410  | 60  | 18  | 100  | 50  | 130  | 340  | 400  | 240  | 17  | 
CZ-63  | 630  | 2.5  | 12  | 500  | 單雙水冷  | 440  | 410  | 60  | 18  | 100  | 50  | 130  | 340  | 400  | 240  | 17  | 
CZ-100  | 1000  | 2.5  | 18  | 1000  | 單雙水冷  | 520  | 490  | 60  | 18  | 100  | 49  | 220  | 430  | 500  | 280  | 17  | 
CZ-200  | 2000  | 3  | 30  | 1800  | 單雙水冷  | 610  | 545  | 75  | 20  | 110  | 45  | 250  | 520  | 600  | 325  | 22  | 
CZ-500  | 5000  | 3  | 45  | 4200  | 單雙水冷  | 818  | 665  | 90  | 25  | 140  | 50  | 320  | 600  | 700  | 430  | 22  | 
CZ-1000  | 10000  | 4  | 60  | 6800  | 單雙水冷  | 1125  | 715  | 120  | 32  | 160  | 45  | 360  | 900  | 1050  | 600  | 26  | 
CZ-2000  | 20000  | 4  | 80  | 8000  | 單雙水冷  | 1425  | 780  | 155  | 40  | 180  | 105  | 320  | 1300  | 1450  | 750  | 34  | 
單出軸機座式磁粉制動器概述
單出軸機座式磁粉制動器(CZ1000(10000nm)磁粉制動器)是一種以磁粉為工作介質,以激磁電流為控制手段,達到控制制動或傳遞轉矩的目的。其輸出轉矩與激磁電流呈良好的線性關系而與轉速或滑差無關,并具有響應速度快結構簡單等特點。
按勵磁線圈的供電方式,磁粉制動器有兩大類產品:線圈旋轉式和線圈靜止式。線圈旋轉式旋轉線圈的供電是經過安裝在軸上的滑環進行的,由于接電方式的不可靠和線圈在高速旋轉過程中有可能發生的不平衡引起震動,這種類型的產品已經很少應用,目前市場上的絕大部分產品都采用線圈靜止型的。
單出軸機座式磁粉制動器用途







.jpg)
蘇公網安備 32062102000172號